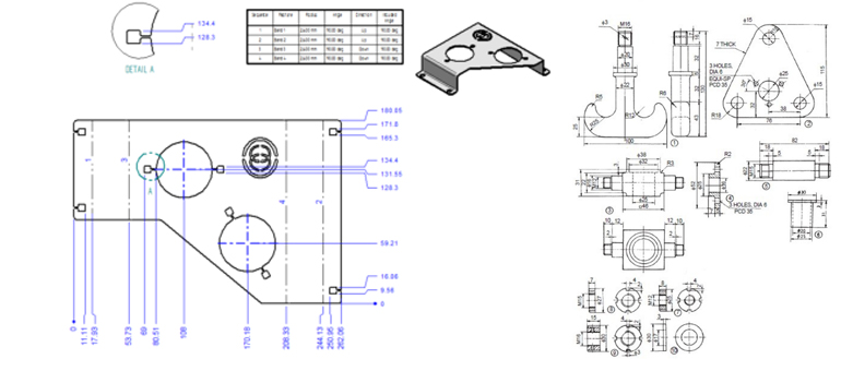
There are two ways by which customer approaches us either by providing the 3D design of the product or by providing the 2D drawings of products. In either-case, design & development is involved. The 3D design is processed through software to convert the 2D Design for laser cutting. The design of complex bending parts poses a challenge to every designer.
Usage of advanced software like Creo-3.0, Solid-Works helps fast preparation Drawing & developed views of the product. This Drawing & developed drawings are sent to the programming department which prepares the program for Laser cutting depending on the thickness.
The design department is working in close association with the engineering department of customers for critical dimensional requirements and complex product parameters. They prepare production drawings that are sent to the customer for final approval before the Laser Cutting & Fabrication process.
